Can't Find What You're Looking For?
If you're looking for something in particular, we can help. Drop us a line using the button below.
Submit A RequestWhy Buy From Us?
- Australian Owned
- 100% Fitment Guarantee
- Genuine Quality Brands
Shop now. Pay Later. Interest Free.
Make 4 interest-free payments of $40.36 fortnightly and receive your order now. More info
Description
Any enthusiast running boost, nitrous or high RPMs is aware of the trade-offs associated with inductive coils versus converting to a capacitive-type discharge ignition system (CDI). The typical argument is that inductive coils deliver a long spark duration with simplicity, but not enough energy to light off the combustion chamber of a modified high-performance vehicle. In contrast, CDIs deliver intense energy but with practically no spark duration, making the proper mixture in the combustion chamber critical for best performance. This tradeoff ends with AEM's High-Output “Dumb” Inductive Coils, the first inductive coils that deliver CDI-like spark energy and voltage, and the long spark duration necessary for vehicles running forced induction and nitrous.
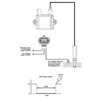
AEM's High Output “Dumb” Inductive Coil is designed to be used with an external igniter.
AEM's High-Output “Dumb” Inductive Coils each deliver up to 118mJ of spark energy and a minimum of 41,000 Volts—as much as most CDI systems, without the need for a CDI module! They also provide very long spark duration at full energy, unlike CDI systems and multiple spark systems which fire off small spark events prior to and after its CDI burst to mimic longer spark duration. The full energy delivery and long duration of AEM's High-Output Inductive Coils eliminate the need to compromise energy or duration with your ignition system, and will increase performance in high-boost or high compression engines.
AEM's High-Output “Dumb” Inductive Coils deliver CDI-like spark energy with the long duration of an inductive coil, and easily install in place of your exiting coils without the need to add a CDI. AEM's coils are constructed to operate in harsh environments. They are shock and weatherproof, allowing them to be mounted virtually anywhere. They are affordable—less than the cost of aftermarket LS1 coils—and deliver World Class performance. “These coils are on 2,000-horsepower nitrous motors without a CDI, and they perform flawlessly. We think they are in a class by themselves”, stated John Romero, AEM Director of Product Development.
RACER FEATURES
- CDI-like spark energy without the need for a CDI
- Less expensive than aftermarket LS1 coils
- Robust construction allows them to be mounted almost anywhere
- Available for vehicles with external igniters
TUNER FEATURES
- Massive Spark Energy, up to 118 mJ!
- Incredibly long spark duration, up to 3.2mS!
- Up to 41kV Output Voltage, without a CDI!
- Heavy-duty, weatherproof and shockproof design
- Can be installed directly to engine
Specifications
- Primary Resistance: 0.5 Ω +/- 10%
- Primary Inductance: 4.8 mH +/- 15%
- Secondary Resistance: 8.5 kΩ +/- 20%
- Secondary Inductance: 22.5 H +/- 20%
- Output (50pF load): 41 kV +/- 10%
- Output Energy: 118 mJ +/- 7%
- Peak Secondary Current: 100 mA +/- 7%
- Arc Duration: 3.2 mS +/- 10%
- Turns Ratio 71:1
- Maximum Battery Voltage: 17 Volts
- Base Dwell: 3.0 mS
- Max Continuous Dwell: 9 mS but don’t exceed 40% duty cycle
- Max Intermittent Dwell: 80% duty cycle, 5 seconds maximum
- Mating Connector: Packard/Delphi 12162182 “Pull to Seat”
- Mating Contacts: Packard/Delphi 12124075 “Pull to Seat”
- High Tension Wire Terminal: HEI “spark plug top” Style
What's Included
-
1x High Output Coil
-
1x Mating Connector & 4x Contacts
Compatibility
- Universal
Any enthusiast running boost, nitrous or high RPMs is aware of the trade-offs associated with inductive coils versus converting to a capacitive-type discharge ignition system (CDI). The typical argument is that inductive coils deliver a long spark duration with simplicity, but not enough energy to light off the combustion chamber of a modified high-performance vehicle. In contrast, CDIs deliver intense energy but with practically no spark duration, making the proper mixture in the combustion chamber critical for best performance. This tradeoff ends with AEM's High-Output “Dumb” Inductive Coils, the first inductive coils that deliver CDI-like spark energy and voltage, and the long spark duration necessary for vehicles running forced induction and nitrous.
AEM's High Output “Dumb” Inductive Coil is designed to be used with an external igniter.
AEM's High-Output “Dumb” Inductive Coils each deliver up to 118mJ of spark energy and a minimum of 41,000 Volts—as much as most CDI systems, without the need for a CDI module! They also provide very long spark duration at full energy, unlike CDI systems and multiple spark systems which fire off small spark events prior to and after its CDI burst to mimic longer spark duration. The full energy delivery and long duration of AEM's High-Output Inductive Coils eliminate the need to compromise energy or duration with your ignition system, and will increase performance in high-boost or high compression engines.
AEM's High-Output “Dumb” Inductive Coils deliver CDI-like spark energy with the long duration of an inductive coil, and easily install in place of your exiting coils without the need to add a CDI. AEM's coils are constructed to operate in harsh environments. They are shock and weatherproof, allowing them to be mounted virtually anywhere. They are affordable—less than the cost of aftermarket LS1 coils—and deliver World Class performance. “These coils are on 2,000-horsepower nitrous motors without a CDI, and they perform flawlessly. We think they are in a class by themselves”, stated John Romero, AEM Director of Product Development.
RACER FEATURES
- CDI-like spark energy without the need for a CDI
- Less expensive than aftermarket LS1 coils
- Robust construction allows them to be mounted almost anywhere
- Available for vehicles with external igniters
TUNER FEATURES
- Massive Spark Energy, up to 118 mJ!
- Incredibly long spark duration, up to 3.2mS!
- Up to 41kV Output Voltage, without a CDI!
- Heavy-duty, weatherproof and shockproof design
- Can be installed directly to engine
- Primary Resistance: 0.5 Ω +/- 10%
- Primary Inductance: 4.8 mH +/- 15%
- Secondary Resistance: 8.5 kΩ +/- 20%
- Secondary Inductance: 22.5 H +/- 20%
- Output (50pF load): 41 kV +/- 10%
- Output Energy: 118 mJ +/- 7%
- Peak Secondary Current: 100 mA +/- 7%
- Arc Duration: 3.2 mS +/- 10%
- Turns Ratio 71:1
- Maximum Battery Voltage: 17 Volts
- Base Dwell: 3.0 mS
- Max Continuous Dwell: 9 mS but don’t exceed 40% duty cycle
- Max Intermittent Dwell: 80% duty cycle, 5 seconds maximum
- Mating Connector: Packard/Delphi 12162182 “Pull to Seat”
- Mating Contacts: Packard/Delphi 12124075 “Pull to Seat”
- High Tension Wire Terminal: HEI “spark plug top” Style
-
1x High Output Coil
-
1x Mating Connector & 4x Contacts
- Universal
Best Sellers
High Output IGBT Inductive "Smart" Coil
$166.20
$174.95
45 Deg Coil Boots & Terminals - Grey, 2 Pack (GM LS)
$18.74
$22.05
45 Deg Silicone Coil Boots and Terminals - Black, 2 Pack (GM
$17.03
$20.03














































































































































































